20x2 COB OLED Character Display | UL2002AM
Model : UL2002AM
- COG with SMT
- 5.0V single power supply (Typ.)
- 5x7 dots with cursor
- Built-in controller: Compatible with HD44780/ST7066U
- Color:White/Yellow
- Support MCU interfaces:
4/8-bit 6800 series parallel interface(STD)
I2C interface (Option) - Operating temperatures: -40°C to 80°C
- 4 sets of CGROM (hardware selectable)
ENGLISH/JAPANESE
ENGLISH/CYRILLIC
ENGLISH/EUROPEAN I
ENGLISH/EUROPEAN II
數量
Description
Character COG OLED display 16x2 has built-in IC and compatible with ST7066U, and 4 sets of CGROM (hardware selectable) fonts; English/Japanese, English/ Cyrillic, English/ European I and II. UL2002AM is a 20x02 OLED (organic light-emitting diode) module made using COG (Chip on Glass) with SMT technology.
It come with standard 4/8-bit 6800 series parallel interface and provides option of I2C interface. It can directly replace you 16x02 character LCM.
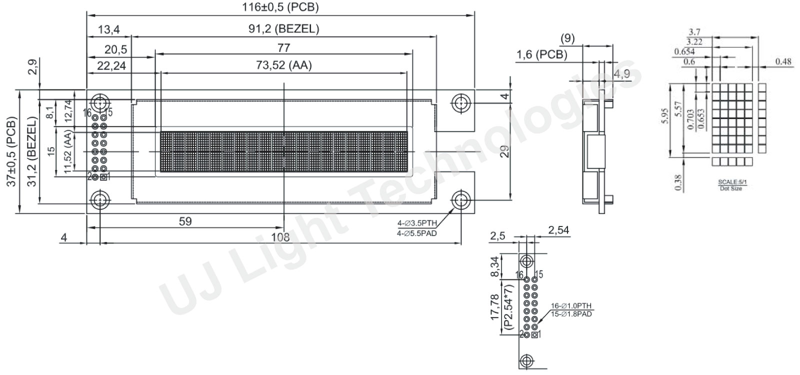
The module dimension 116.0 x 37.0 mm and active area is 73.52 x 11.52 mm.
It is available yellow and white options and wide Operating temperatures: -40°C to 80°C.
5.0V single power supply (Typ.)
Specification


Features
| Item | Dimension | Unit |
| Module dimension | 116.0 × 37.0 | mm |
| Active Area | 73.52 × 11.52 | mm |
| Dot size | 0.60 × 0.653 | mm |
| Character Size | 3.22 x 5.57 | mm |
Electrical Characteristics (Ta=25±2°C)
| Item | Symbol | Condition | Value | Unit |
| Input Voltage | VDD | VDD = +5V | 5.0 | V |
| Supply Current | IDD | VDD = +5V | 30.0 | mA |
| Lift Time (White) | 80 cd/m2 | 70K | hrs | |
| Lift Time (Yellow) | 80 cd/m2 | 100K | hrs |
Interface
| Pin | Symbol | Function |
|---|---|---|
| 1 | GND | Ground |
| 2 | VDD | Supply voltage for logic. |
| 3 | NC | - |
| 4 | RS | H:DATA, L:Instruction code |
| 5 | R/W | H:Read(MPU←Module) L:Write(MPU→Module) |
| 6 | E | Chip enable signal |
| 7~14 | DB0~7 | Data bit 0~7 |
| 15 | NC | - |
| 16 | NC | - |